papa

M.V. Servicios Técnicos S.L. Empresa afincada en Madrid, ESPAÑA desde 1990.

Technologic Investigation Solar Energy C/ Florencia 16 Coslada 28822 Madrid España
Turbisolar JJVR, S.L. empresa en Barcelona distribuidora oficial de JVR
Dirección C/ Jacint Verdaguer 109 2º 4ª 08750 Molins de Rei, telef +34 678673218

Todos los proyectos, y cada uno de ellos, están amparados por registros de patentes.
Garantizamos que todos los archivos y videos están libre de virus o amenaza alguna

Para licencias contactar con el autor:

Info@jvr.es


Más sobre Jonás Villarrubia Ruiz (JVR) apartado cultural de Jonás

torre
Proyecto de un nuevo control
de velocidad en carretera.

Más información:
Folleto, presentación.

 

Torre solar de menos de 97 metros de altura, con mayor rendimiento, no consume agua, menor coste y mayor productividad de corriente electrica, deseca y enfría el aire a punto de rocio para mejor eficiencia dejando como residuo miles de litros de agua potable al día.
Video del proyecto con producción de agua en Inglés 
Descargar PowerPoint de la turbina JVR en español
Descargar informe de la torre actual en español


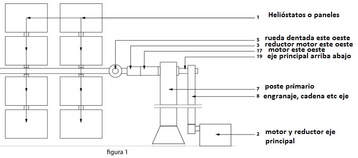
Armadura de helióstatos y fotovoltáica de nueva generación, con líneas de más de 1000 espejos o paneles que actuan como un gran concentrador.
Descargar video del prototipo
Informes:
Helióstatos español
Helióstatos Inglés

Motor de explosión que  gasifica el combustible que se le inyecta, consiguiendo mejores prestaciones y menor contaminación.
Más información:
descripción, presentación
turbina actual

Nueva turbina solar de rendimiento electrico las 24 horas: Video en español y en inglés

torre negro

Imagen esquemática de la 2ª patente de la Torre Solar JVR en 2006, ya en uso

helio2turbina3
controlvelocidad motorportada